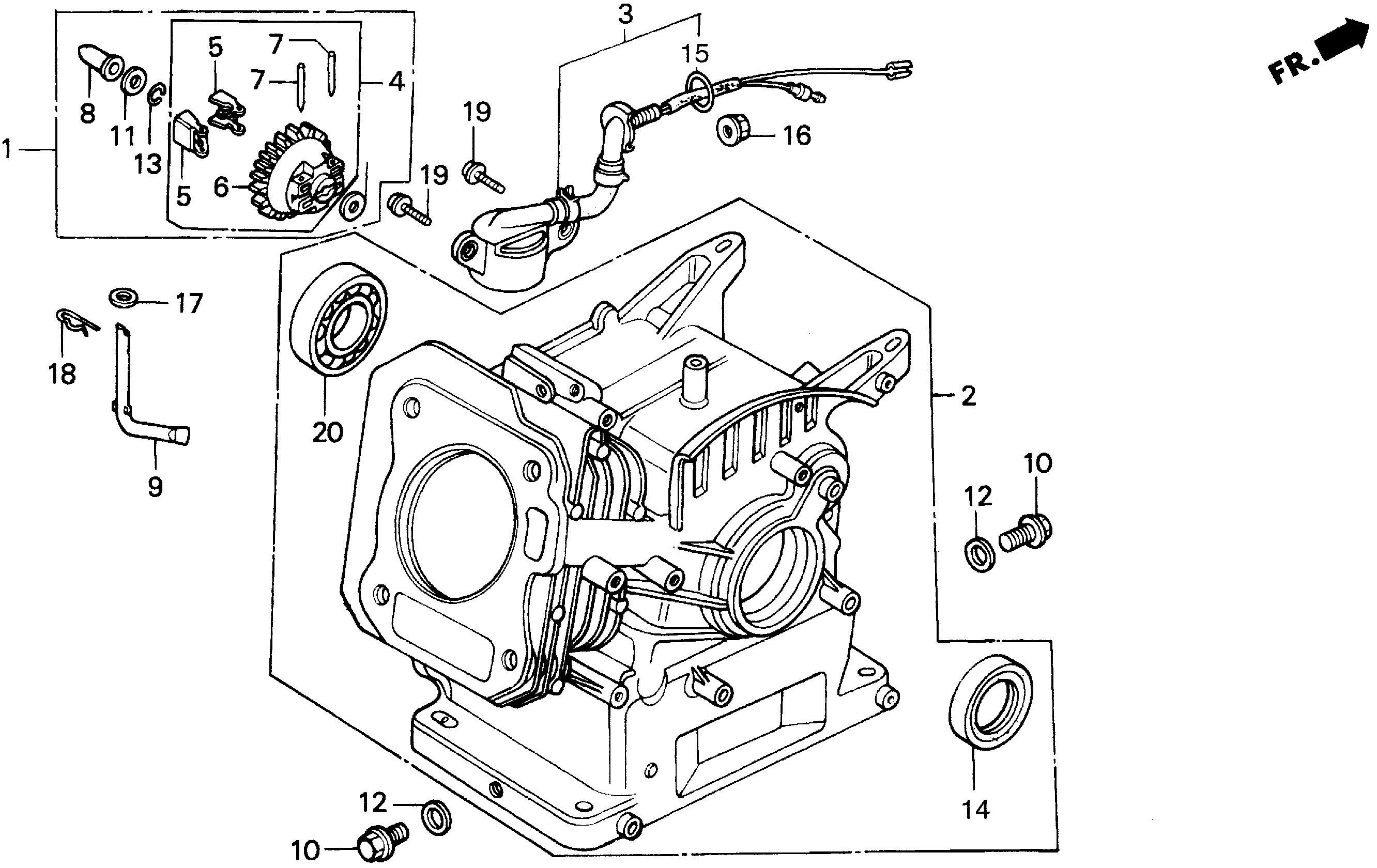
Ref No
Part Number
Description
Serial Range
Qty
Price
Ref No 1
Part Number 06165-ZE1-000
Description GOVERNOR KIT
Serial Range 1000001 - 9999999
Qty
Price $17.88
Add To Cart
Ref No 2
Part Number 120A0-ZE1-810
Description CYLINDER ASSY. (OIL ALERT) (NOT AVAILABLE)
Serial Range 1000001 - 9999999
Ref No 3
Part Number 15510-ZE1-043
Description SWITCH ASSY., OIL LEVEL
Serial Range 1000001 - 9999999
Qty
Price $64.54
Add To Cart
Ref No 4
Part Number 16510-ZE1-000
Description GOVERNOR ASSY.
Serial Range 1000001 - 9999999
Qty
Price $16.66
Add To Cart
Ref No 5
Part Number 16511-ZE1-000
Description WEIGHT, GOVERNOR
Serial Range 1000001 - 9999999
Qty
Price $3.82
Add To Cart
Ref No 6
Part Number 16512-ZE1-000
Description HOLDER, GOVERNOR WEIGHT
Serial Range 1000001 - 9999999
Qty
Price $24.26
Add To Cart
Ref No 7
Part Number 16513-ZE1-000
Description PIN, GOVERNOR WEIGHT
Serial Range 1000001 - 9999999
Qty
Price $2.22
Add To Cart
Ref No 8
Part Number 16531-ZE1-000
Description SLIDER, GOVERNOR
Serial Range 1000001 - 9999999
Qty
Price $3.54
Add To Cart
Ref No 9
Part Number 16541-ZE1-000
Description SHAFT, GOVERNOR ARM
Serial Range 1000001 - 9999999
Qty
Price $12.56
Add To Cart
Ref No 10
Part Number 90131-ZE1-000
Description BOLT, DRAIN PLUG
Serial Range 1000001 - 9999999
Qty
Price $2.96
Add To Cart
Ref No 11
Part Number 90451-ZE1-000
Description WASHER, THRUST (6MM)
Serial Range 1000001 - 9999999
Qty
Price $1.92
Add To Cart
Ref No 12
Part Number 90601-ZE1-000
Description WASHER, DRAIN PLUG (10.2MM)
Serial Range 1000001 - 9999999
Ref No 13
Part Number 90602-896-000
Description CLIP, GOVERNOR HOLDER
Serial Range 1000001 - 1728191
Qty
Price $1.68
Add To Cart
Ref No 13
Part Number 90602-ZE1-000
Description CLIP, GOVERNOR HOLDER
Serial Range 1000001 - 9999999
Qty
Price $1.68
Add To Cart
Ref No 14
Part Number 91201-Z0T-801
Description OIL SEAL (25X41X6) (NOK)
Serial Range 1728192 - 9999999
Ref No 15
Part Number 91353-671-003
Description O-RING (13.5X1.5) (ARAI)
Serial Range 1728192 - 9999999
Qty
Price $3.50
Add To Cart
Ref No 16
Part Number 94050-10000
Description NUT, FLANGE (10MM)
Serial Range 1000001 - 9999999
Qty
Price $1.94
Add To Cart
Ref No 17
Part Number 94101-06800
Description WASHER, PLAIN (6MM)
Serial Range 1000001 - 9999999
Qty
Price $0.80
Add To Cart
Ref No 18
Part Number 94251-08000
Description PIN, LOCK (8MM)
Serial Range 1000001 - 9999999
Qty
Price $1.50
Add To Cart
Ref No 19
Part Number 95701-06012-00
Description BOLT, FLANGE (6X12)
Serial Range 1000001 - 9999999
Qty
Price $1.98
Add To Cart
Ref No 20
Part Number 91001-ZF1-003
Description BEARING, RADIAL BALL (6205TMB) (NTN)
Serial Range 3033316 - 9999999
Qty
Price $24.28
Add To Cart
Ref No 20
Part Number 96100-62050-00
Description BEARING, RADIAL BALL (6205)
Serial Range 1000001 - 3033315